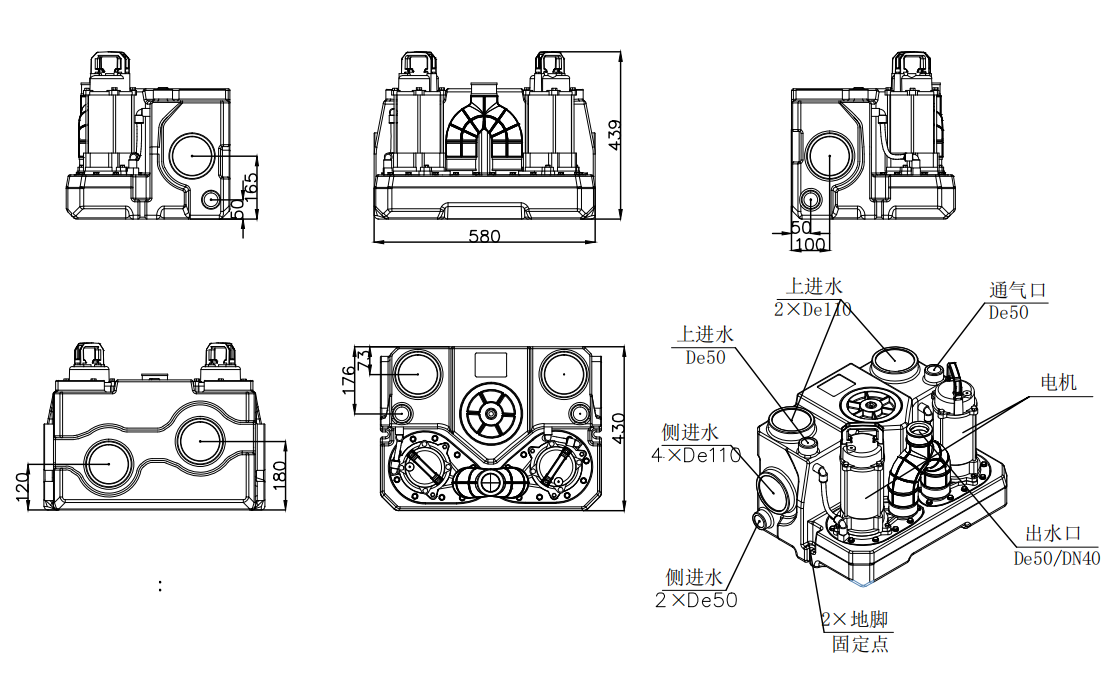
Twslift48D污水提升器为箱泵一体式,水泵干式安装,采用涡流式叶轮,箱体采用耐腐性PE材质,设备小巧、安装方便,可满足多个方位的进水安装需求,设备含有4个De110侧进口,2个De50侧进口和2个De110上进口,1个De50上进口设备出水口径为De50,通气口径为De50。
设备特性
一体化装置,外置双电机 涡流式无阻塞叶轮
标称容积48L 耐腐蚀PE材质
结构紧凑,安装方便 智能型专业控制单元
Qmax=20m³/H Hmax=13m
气压/浮球双控液位系统 介质温度:≤40°
pH:6-8 整机防护等级(控制箱除外):IP68
性能曲线图


Exlift48D外置污水提升器技术参数表

配置清单

设备尺寸图/结构图(580×430×439mm)


Exlift48D外置污水提升器安装示意图

序号 | 安装部件 | 序号 | 安装部件 |
1 | De110进水软接 | 7 | De50活接 |
2 | De50进水软接 | 8 | De50球阀 |
3 | Exlift48D污提主机 | 9 | Exc-04智能控制箱 |
4 | 辅泵 | 10 | 出水强排固定架 |
5 | De50强排出水软接 | 11 | De50通气管路 |
6 | 辅泵止回阀 | 12 | De50出水强排管路 |





扫一扫