设备主要特性
一体化装置,外置双电机 涡流式无阻塞叶轮
标称容积500L 耐腐蚀PE材质
结构紧凑,安装方便 智能型专业控制单元
Qmax=65m³/H Hmax=26m
气压/浮球双控液位 介质温度:≤40°
pH:6-8 整机防护等级(控制箱除外):IP68
Twslift500D外置污水提升器性能曲线图


Twslift500D外置污水提升器技术参数表
| 设备规格 | 对应功率(KW) | 水泵台数 | 叶轮形式 | 供电电源 | 出水口径(mm) | 箱体标称容积(L) | 流量(m³/h) | 0 | 5 | 10 | 15 | 20 | 25 | 30 | 35 | 40 | 45 | 50 | 55 |
| Twslift500D150D | 1.5 | 二 | 涡流型 | 220V/380V | De90/DN80 | 500 | 扬程(m) | 17 | 15.5 | 13.9 | 12 | 10 | 8 | 6 | 4 | ||||
| Twslift500D220D | 2.2 | 19 | 18 | 17 | 15.5 | 14 | 12.5 | 11 | 9 | 6.8 | 4.7 | ||||||||
| Twslift500D300D | 3 | 380V | 22.3 | 21 | 19.8 | 18.3 | 17 | 15.5 | 12.9 | 12 | 10 | 8.2 | |||||||
| Twslift500D400D | 4 | 24 | 23 | 22 | 21 | 19.5 | 18 | 17 | 15.2 | 12.8 | 12 | 10.2 | 8.2 | ||||||
| Twslift500D550D | 5.5 | 29.37 | 29 | 28 | 27 | 26 | 24.5 | 23 | 21.5 | 20 | 18 | 16 | 14 | ||||||
| Twslift500D750D | 7.5 | 33.64 | 33 | 32.1 | 31.5 | 30.5 | 29.5 | 28.3 | 27 | 25.5 | 24 | 22.1 | 20.5 |
Exlift500D外置污水提升器主要配件

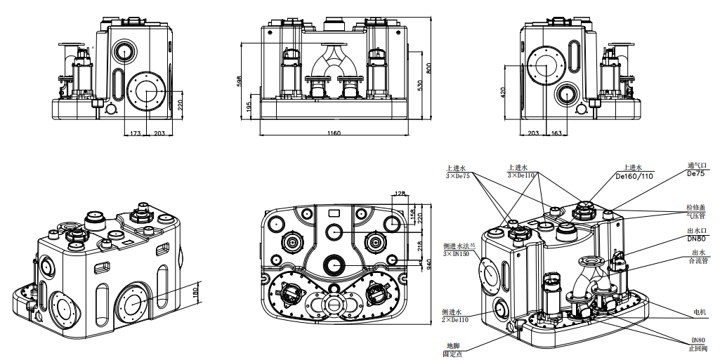
设备尺寸图/结构图(1160×940×800)

安装示意图

序号 | 安装部件 | 序号 | 安装部件 |
1 | De110进水软接 | 7 | DN80橡胶软接头 |
2 | Exlift500D污提主机 | 8 | 出水强排固定架 |
3 | DN80可拆卸止回阀 | 9 | DN80闸阀 |
4 | DN90出水软接 | 10 | De110进水管 |
5 | De90强排出水管 | 11 | Exc-04控制箱 |
6 | De75通气管 |




扫一扫