设备主要特性
一体化装置,外置双电机 涡流式无阻塞叶轮
标称容积70L 耐腐蚀PE材质
结构紧凑,安装方便 智能型专业控制单元
Qmax=35m³/H Hmax=13m
气压/浮球双控液位 可拆卸铸铁止回阀
介质温度:≤40° pH:6-8
整机防护等级(控制箱除外):IP68
70L外置污水提升器技术参数表

配置清单

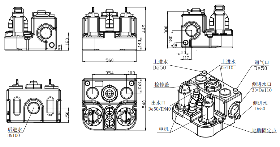
设备尺寸图/结构图(560×540×449)

安装示意图

咨询热线:021-37777092
手机:135-8568-6557
传真:021-37777092
邮箱:1539402527@QQ.com
地址:上海市松江区民强路227号
Twslift70D为外置双泵干式一体化污水提升装置 ,他主要应用于小型公共卫生间、住宅或别墅的多个卫生间的污、废水场合。它既可以安装于基坑内也可同层安装。
Twslift70D污水提升器为箱泵一体式,水泵干式安装,采用涡流式叶轮,箱体采用耐腐性pe材质,设备小巧、安装方便,可满足多个方位的进水安装需求,设备含有2个顶部de110进水口,1个顶部de50进水口,3个侧面de110接口,2个侧面de50接口,设备出水口径为dn80,通气口径为de50。
专心研制,用科技造福社会
一体化装置,外置双电机 涡流式无阻塞叶轮
标称容积70L 耐腐蚀PE材质
结构紧凑,安装方便 智能型专业控制单元
Qmax=35m³/H Hmax=13m
气压/浮球双控液位 可拆卸铸铁止回阀
介质温度:≤40° pH:6-8
整机防护等级(控制箱除外):IP68


配置清单


