设备特性
一体化装置,外置单电机 涡流式无阻塞叶轮
标称容积75L 耐腐蚀PE材质
结构紧凑,安装方便 智能型专业控制单元
Qmax=40m³/H Hmax=17m
气压/浮球双控液位系统 介质温度:≤40°
pH:6-8 整机防护等级(控制箱除外):IP68
技术参数





咨询热线:021-37777092
手机:135-8568-6557
传真:021-37777092
邮箱:1539402527@QQ.com
地址:上海市松江区民强路227号
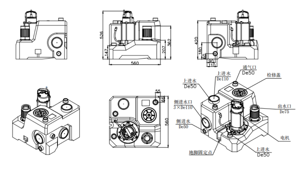
Twslift75S为外置式单泵干式一体化污水提升装置 ,他主要应用于小型公共台盆下安装、住宅或别墅的单个卫生间的污、废水场合。它既可以安装于基坑内也可同层安装。
Twslift75S污水提升器为箱泵一体式,水泵干式安装,采用涡流式叶轮,箱体采用耐腐性PE材质,设备小巧、安装方便,可满足多个方位的进水安装需求,设备含有3个De110侧进口,3个De50侧进水口和1个De110上进口,2个De50上进口,设备出水口径为De75,通气口径为De50。
专心研制,用科技造福社会
一体化装置,外置单电机 涡流式无阻塞叶轮
标称容积75L 耐腐蚀PE材质
结构紧凑,安装方便 智能型专业控制单元
Qmax=40m³/H Hmax=17m
气压/浮球双控液位系统 介质温度:≤40°
pH:6-8 整机防护等级(控制箱除外):IP68
技术参数




